ГРАФІК РОБОТИ
Кошик
| Товар | Опис | Наявність | Термін постачання | Ціна | Купити | |||||||||||
|---|---|---|---|---|---|---|---|---|---|---|---|---|---|---|---|---|
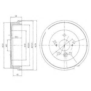
| ABE C62035ABE Знайти аналоги |  | Гальмівний барабан ? фаски 2 [мм]: 62Знайти аналоги Висота [мм]: 64 Внутрішній. висота гальм. барабана [мм]: 55 Діаметр [мм]: 228,6 Діаметр барабана: 228.6 Діаметр центрування [мм]: 64 Кількість отворів: 5 Мінімальна товщина [мм]: 55 Макс. розмір розточування гальмівного барабана [мм]: 230,6 Сторона встановлення: Задній міст Товщина [мм]: 230,6 | 
 | |||||||||||||
| LPR 7D0364 Знайти аналоги |  | Гальмівний барабан ? фаски 2 [мм]: 62Знайти аналоги Внутрішній. висота гальм. барабана [мм]: 55 Діаметр [мм]: 228,6 Для артикула №: 7D0364 Заг. висота гальм. барабана [мм]: 64 Кількість отворів 1: 5 Кількість отворів 2: 3 | 
 | |||||||||||||
| TOYOTA 04495-42080 Знайти аналоги | Гальмівний барабан Гальмівна система: SUMITOMOЗнайти аналоги Діаметр [мм]: 228,6 Ширина поверхні тертя [мм]: 40 | 
 | ||||||||||||||
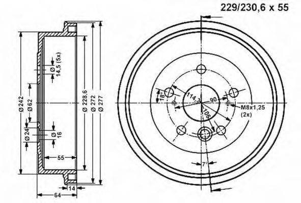
| HELLA 8DT355300031 Знайти аналоги |  | Гальмівний барабан ? фаски 2 [мм]: 114,3Знайти аналоги Вага, кг]: 4,5 Внутрішній. висота гальм. барабана [мм]: 55 Діаметр барабана: 228,6 Додатковий артикул / Додаткова інформація 2: без колісної кріплення осі Додатковий артикул / Додаткова інформація 2: без колісного підшипника Додатковий артикул / Додаткова інформація 2: без маточини Заг. висота гальм. барабана [мм]: 64 Зовнішн. діаметр гальм. барабана (мм): 277,5 Макс. розмір розточування гальмівного барабана [мм]: 230,6 Номер технічної інформації: 60405 Розташування/число отворів: 05/08 | Уточнити наявність | |||||||||||||
| ATE 24022280081 Знайти аналоги |  | Гальмівний барабан ? фаски 2 [мм]: 114,3Знайти аналоги Внутрішній. висота гальм. барабана [мм]: 49 Діаметр барабана: 228,6 Діаметр кріплення [мм]: 62 Заг. висота гальм. барабана [мм]: 64 Зовнішн. діаметр гальм. барабана (мм): 278 Кількість отворів: 5 Код MAPP у наявності: Макс. розмір розточування гальмівного барабана [мм]: 230,6 Отвори [мм]: 14,5 | Уточнити наявність | |||||||||||||
| PAGID 60405 Знайти аналоги |  | Гальмівний барабан ? фаски 2 [мм]: 114,3Знайти аналоги Вага, кг]: 4,5 Внутрішній. висота гальм. барабана [мм]: 55 Діаметр барабана: 228,6 Додатковий артикул / Додаткова інформація 2: без колісної кріплення осі Додатковий артикул / Додаткова інформація 2: без колісного підшипника Додатковий артикул / Додаткова інформація 2: без маточини Заг. висота гальм. барабана [мм]: 64 Зовнішн. діаметр гальм. барабана (мм): 277,5 Макс. розмір розточування гальмівного барабана [мм]: 230,6 Розташування/число отворів: 05/08 | Уточнити наявність | |||||||||||||
| BOSCH 0986477168 Знайти аналоги |  | Гальмівний барабан Внутрішній. висота гальм. барабана [мм]: 55Знайти аналоги Діаметр барабана: 228,6 Кількість отворів: 5 | Уточнити наявність | |||||||||||||
| TEXTAR 94022200 Знайти аналоги |  | Гальмівний барабан ? фаски 2 [мм]: 114,3Знайти аналоги Вага, кг]: 4,5 Внутрішній. висота гальм. барабана [мм]: 55 Діаметр барабана: 228,6 Додатковий артикул / Додаткова інформація 2: без колісної кріплення осі Додатковий артикул / Додаткова інформація 2: без колісного підшипника Додатковий артикул / Додаткова інформація 2: без маточини Заг. висота гальм. барабана [мм]: 64 Зовнішн. діаметр гальм. барабана (мм): 277,5 Макс. розмір розточування гальмівного барабана [мм]: 230,6 Номер технічної інформації: 98100 0222 0 1 Розташування/число отворів: 05/08 | Уточнити наявність | |||||||||||||
| HERTH+BUSS JAKOPARTS J3402016 Знайти аналоги |  | Гальмівний барабан ? фаски 2 [мм]: 114,3Знайти аналоги Висота [мм]: 64 Діаметр барабана: 228,6 Діаметр маточини [мм]: 62 Кількість отворів 1: 5 Кількість отворів 2: 3 | Уточнити наявність | |||||||||||||
| QUINTON HAZELL BDR373 Знайти аналоги |  | Гальмівний барабан Висота [мм]: 64Знайти аналоги Внутрішній. висота гальм. барабана [мм]: 55 Діаметр барабана: 230.6 Кількість отворів: 5 | Уточнити наявність | |||||||||||||
| MINTEX MBD154 Знайти аналоги |  | Гальмівний барабан ? фаски 2 [мм]: 114,3Знайти аналоги Вага, кг]: 4,5 Внутрішній. висота гальм. барабана [мм]: 55 Діаметр барабана: 228,6 Додатковий артикул / Додаткова інформація 2: без колісної кріплення осі Додатковий артикул / Додаткова інформація 2: без колісного підшипника Додатковий артикул / Додаткова інформація 2: без маточини Заг. висота гальм. барабана [мм]: 64 Зовнішн. діаметр гальм. барабана (мм): 277,5 Макс. розмір розточування гальмівного барабана [мм]: 230,6 Розташування/число отворів: 05/08 | Уточнити наявність | |||||||||||||
| DELPHI BF495 Знайти аналоги |  | Гальмівний барабан Внутрішній. діаметр торм.барабан [мм]: 228,6Знайти аналоги Для діаметра валу починаючи з [мм]: 62 Заг. висота гальм. барабана [мм]: 64 Кількість отворів: 5 Тип збирання: закріплено болтами/шурупами | Уточнити наявність | |||||||||||||
| TRISCAN 812013214 Знайти аналоги |  | Гальмівний барабан Внутрішній. висота гальм. барабана [мм]: 55Знайти аналоги Діаметр барабана: 228,6 Заг. висота гальм. барабана [мм]: 64 Кількість отворів: 5 | Уточнити наявність | |||||||||||||
| NK 254518 Знайти аналоги |  | Гальмівний барабан Внутрішній. висота гальм. барабана [мм]: 55Знайти аналоги Діаметр барабана: 228,6 Заг. висота гальм. барабана [мм]: 64 Число отворів у диску колеса: 5 | Уточнити наявність | |||||||||||||
| OPTIMAL BT1660 Знайти аналоги |  | Гальмівний барабан ? фаски 2 [мм]: 114,3Знайти аналоги Висота [мм]: 64,4 Внутрішній. висота гальм. барабана [мм]: 54 Внутрішній. діаметр торм.барабан [мм]: 228 Діаметр барабана: 272 Діаметр центрування [мм]: 62,1 Макс. розмір розточування гальмівного барабана [мм]: 230 Отвори [мм]: 14,7 Розташування/число отворів: 5/8 Сторона встановлення: Задній міст | Уточнити наявність | |||||||||||||
| JAPANPARTS TA214 Знайти аналоги |  | Гальмівний барабан Внутрішній. висота гальм. барабана [мм]: 52Знайти аналоги Внутрішній. діаметр торм.барабан [мм]: 228,5 Отвори маточини [мм]: 62 Сторона встановлення: Задній міст Число отворів: 5 | Уточнити наявність | |||||||||||||
| TRW DB4234 Знайти аналоги |  | Гальмівний барабан ? фаски 2 [мм]: 114,3Знайти аналоги Внутрішній. висота гальм. барабана [мм]: 55 Діаметр барабана: 228,6 Кількість отворів: 5 Макс. розмір розточування гальмівного барабана [мм]: 230,6 | Уточнити наявність | |||||||||||||
| KAVO PARTS BD9609 Знайти аналоги |  | Гальмівний барабан ? фаски 2 [мм]: 114,3Знайти аналоги Висота [мм]: 64 Внутрішній. висота гальм. барабана [мм]: 55 Діаметр барабана: 228.6 Діаметр маточини 1 [мм]: 62 Кількість отворів: 5 | Уточнити наявність | |||||||||||||
| A.B.S. 3416S Знайти аналоги |  | Гальмівний барабан Вага, кг]: 5,49Знайти аналоги Висота [мм]: 64 Внутрішній. висота гальм. барабана [мм]: 49 Внутрішній. діаметр торм.барабан [мм]: 228,6 Діаметр маточини 1 [мм]: 62 Зовнішн. діаметр гальм. барабана (мм): 273 Число отворів у диску колеса: 5 | Уточнити наявність | |||||||||||||
| NIPPARTS J3402016 Знайти аналоги |  | Гальмівний барабан Внутрішній. висота гальм. барабана [мм]: 55Знайти аналоги Діаметр барабана: 228,0 Діаметр центрування [мм]: 62 Заг. висота гальм. барабана [мм]: 64 Кількість отворів: 5 | Уточнити наявність | |||||||||||||
| ASHIKA 5602214 Знайти аналоги |  | Гальмівний барабан Внутрішній. висота гальм. барабана [мм]: 52Знайти аналоги Внутрішній. діаметр торм.барабан [мм]: 228,5 Отвори маточини [мм]: 62 Сторона встановлення: Задній міст Число отворів: 5 | Уточнити наявність | |||||||||||||
| JP GROUP 4863500309 Знайти аналоги |  | Гальмівний барабан Діаметр [мм]: 228,6Знайти аналоги Розташування/число отворів: 8/5 Сторона встановлення: Задній міст | Уточнити наявність | |||||||||||||
| FREMAX BD4443 Знайти аналоги |  | Гальмівний барабан Висота [мм]: 64Знайти аналоги Внутрішній. висота гальм. барабана [мм]: 55 Внутрішній. діаметр торм.барабан [мм]: 228 Діаметр маточини колеса [мм]: 62 Число отворів у диску колеса: 5 | Уточнити наявність | |||||||||||||
| NPS T340A12 Знайти аналоги |  | Гальмівний барабан Висота [мм]: 64,4Знайти аналоги Внутрішній діаметр: 62,1 Внутрішній. висота гальм. барабана [мм]: 55 Діаметр барабана: 228.6 Зовнішній діаметр [мм]: 271,9 Кількість кріпильних отворів: 2 Кількість отворів: 5 Сторона встановлення: Задній міст | Уточнити наявність | |||||||||||||
| ASHUKI 10206102 Знайти аналоги |  | Гальмівний барабан Внутрішній. висота гальм. барабана [мм]: 55Знайти аналоги Діаметр барабана: 228,0 Діаметр центрування [мм]: 62 Заг. висота гальм. барабана [мм]: 64 Кількість отворів: 5 | Уточнити наявність | |||||||||||||
| BORG & BECK BBR7181 Знайти аналоги |  | Гальмівний барабан Діаметр [мм]: 230,6Знайти аналоги Діаметр барабана: 228.6 Загальна висота [мм]: 64 Зовнішній діаметр [мм]: 280 Розташування/число отворів: 5H Ширина (мм): 55 | Уточнити наявність | |||||||||||||
| JAPKO 56214 Знайти аналоги |  | Гальмівний барабан Внутрішній. висота гальм. барабана [мм]: 52Знайти аналоги Внутрішній. діаметр торм.барабан [мм]: 228,5 Отвори маточини [мм]: 62 Сторона встановлення: Задній міст Число отворів: 5 | Уточнити наявність | |||||||||||||
| VEMA 801211 Знайти аналоги |  | Гальмівний барабан Знайти аналоги | Уточнити наявність | |||||||||||||
| APEC BRAKING DRM9524 Знайти аналоги |  | Гальмівний барабан Діаметр [мм]: 230,6Знайти аналоги Діаметр барабана: 228.6 Загальна висота [мм]: 64 Зовнішній діаметр [мм]: 280 Кількість кріпильних отворів: 5 Ширина (мм): 55 | Уточнити наявність | |||||||||||||
| HELLA PAGID 8DT355300031 Знайти аналоги |  | Гальмівний барабан ? фаски 2 [мм]: 114,3Знайти аналоги Вага, кг]: 4,5 Внутрішній. висота гальм. барабана [мм]: 55 Діаметр барабана: 228,6 Додатковий артикул / Додаткова інформація 2: без колісної кріплення осі Додатковий артикул / Додаткова інформація 2: без колісного підшипника Додатковий артикул / Додаткова інформація 2: без маточини Заг. висота гальм. барабана [мм]: 64 Зовнішн. діаметр гальм. барабана (мм): 277,5 Макс. розмір розточування гальмівного барабана [мм]: 230,6 Номер технічної інформації: 60405 Розташування/число отворів: 05/08 | Уточнити наявність | |||||||||||||
| KAWE 7D0364 Знайти аналоги | Гальмівний барабан ? фаски 2 [мм]: 62Знайти аналоги Внутрішній. висота гальм. барабана [мм]: 55 Діаметр [мм]: 228,6 Для артикула №: 7D0364 Заг. висота гальм. барабана [мм]: 64 Кількість отворів 1: 5 Кількість отворів 2: 3 | Уточнити наявність | ||||||||||||||
| SBS 1825254518 Знайти аналоги | Гальмівний барабан Внутрішній. висота гальм. барабана [мм]: 55Знайти аналоги Діаметр барабана: 228,6 Заг. висота гальм. барабана [мм]: 64 Число отворів у диску колеса: 5 | Уточнити наявність | ||||||||||||||
| FERODO FDR329342 Знайти аналоги | Гальмівний барабан ? фаски 2 [мм]: 114,3Знайти аналоги Внутрішній. висота гальм. барабана [мм]: 55 Діаметр барабана: 228.6 Заг. висота гальм. барабана [мм]: 64 Кількість отворів: 5 Сторона встановлення: Задній міст | Уточнити наявність | ||||||||||||||
| NIPPARTS N3502098 Знайти аналоги | Гальмівний барабан Гальмівна система: SUMITOMOЗнайти аналоги Діаметр [мм]: 228,6 Ширина поверхні тертя [мм]: 40 | Уточнити наявність | ||||||||||||||
| JURID 329339J Знайти аналоги | Гальмівний барабан ? фаски 2 [мм]: 114,3Знайти аналоги Відстань /? [мм]: 62 Внутрішній. висота гальм. барабана [мм]: 49 Діаметр барабана: 228.6 Заг. висота гальм. барабана [мм]: 64 Кількість отворів: 5 Сторона встановлення: Задній міст | Уточнити наявність | ||||||||||||||
| JURID 329342J Знайти аналоги | Гальмівний барабан ? фаски 2 [мм]: 114,3Знайти аналоги Внутрішній. висота гальм. барабана [мм]: 55 Діаметр барабана: 228.6 Заг. висота гальм. барабана [мм]: 64 Кількість отворів: 5 Сторона встановлення: Задній міст | Уточнити наявність | ||||||||||||||
| BENDIX 329339B Знайти аналоги | Гальмівний барабан ? фаски 2 [мм]: 114,3Знайти аналоги Відстань /? [мм]: 62 Внутрішній. висота гальм. барабана [мм]: 49 Діаметр барабана: 228,6 Заг. висота гальм. барабана [мм]: 64 Кількість отворів: 5 Сторона встановлення: Задній міст | Уточнити наявність | ||||||||||||||
| BENDIX 329342B Знайти аналоги | Гальмівний барабан ? фаски 2 [мм]: 114,3Знайти аналоги Внутрішній. висота гальм. барабана [мм]: 55 Діаметр барабана: 228,6 Заг. висота гальм. барабана [мм]: 64 Кількість отворів: 5 Сторона встановлення: Задній міст | Уточнити наявність | ||||||||||||||
| BREMBO 14A70310 Знайти аналоги | Гальмівний барабан Внутрішній. висота гальм. барабана [мм]: 50,5Знайти аналоги Діаметр барабана: 228 Для артикула №: 14.A703.10 Заг. висота гальм. барабана [мм]: 64 Кількість отворів: 5 Макс. розмір розточування гальмівного барабана [мм]: 230,6 Монтажний діаметр [мм]: 62 | Уточнити наявність | ||||||||||||||
| BRAKE ENGINEERING DR962227 Знайти аналоги | Гальмівний барабан ? фаски 2 [мм]: 114,3Знайти аналоги Внутрішній. висота гальм. барабана [мм]: 55 Діаметр барабана: 228,6 Кількість отворів: 5 Макс. розмір розточування гальмівного барабана [мм]: 230,6 | Уточнити наявність | ||||||||||||||
| STELLOX 60259929SX Знайти аналоги | Гальмівний барабан ? фаски 2 [мм]: 114,3Знайти аналоги Внутрішній. висота гальм. барабана [мм]: 55 Діаметр барабана: 228,6 Кількість отворів: 5 Сторона встановлення: Задній міст | Уточнити наявність | ||||||||||||||
| MDR MBD2214 Знайти аналоги | Гальмівний барабан Вага, кг]: 6,88Знайти аналоги Висота упаковки [см]: 30,5 Внутрішній. висота гальм. барабана [мм]: 52 Внутрішній. діаметр торм.барабан [мм]: 228,5 Довжина упаковки [див.: 32 Отвори маточини [мм]: 62 Сторона встановлення: Задній міст Число отворів: 5 Ширина упаковки [см]: 14,5 | Уточнити наявність | ||||||||||||||
| TOYOTA 4243128100 Знайти аналоги | Гальмівний барабан ? фаски 2 [мм]: 62Знайти аналоги Внутрішній. висота гальм. барабана [мм]: 55 Діаметр [мм]: 228,6 Для артикула №: 7D0364 Заг. висота гальм. барабана [мм]: 64 Кількість отворів 1: 5 Кількість отворів 2: 3 | Уточнити наявність | ||||||||||||||
| TOYOTA 4243142010 Знайти аналоги | Гальмівний барабан ? фаски 2 [мм]: 62Знайти аналоги Внутрішній. висота гальм. барабана [мм]: 55 Діаметр [мм]: 228,6 Для артикула №: 7D0364 Заг. висота гальм. барабана [мм]: 64 Кількість отворів 1: 5 Кількість отворів 2: 3 | Уточнити наявність | ||||||||||||||
| TOYOTA 4243142011 Знайти аналоги | Гальмівний барабан ? фаски 2 [мм]: 62Знайти аналоги Внутрішній. висота гальм. барабана [мм]: 55 Діаметр [мм]: 228,6 Для артикула №: 7D0364 Заг. висота гальм. барабана [мм]: 64 Кількість отворів 1: 5 Кількість отворів 2: 3 | Уточнити наявність | ||||||||||||||
| TOYOTA 4243142050 Знайти аналоги | Гальмівний барабан ? фаски 2 [мм]: 62Знайти аналоги Внутрішній. висота гальм. барабана [мм]: 55 Діаметр [мм]: 228,6 Для артикула №: 7D0364 Заг. висота гальм. барабана [мм]: 64 Кількість отворів 1: 5 Кількість отворів 2: 3 | Уточнити наявність | ||||||||||||||
| PEUGEOT 4243128100 Знайти аналоги | Гальмівний барабан ? фаски 2 [мм]: 114,3Знайти аналоги Відстань /? [мм]: 62 Внутрішній. висота гальм. барабана [мм]: 49 Діаметр барабана: 228.6 Заг. висота гальм. барабана [мм]: 64 Кількість отворів: 5 Сторона встановлення: Задній міст | Уточнити наявність | ||||||||||||||
| NISSAN 4243-142010 Знайти аналоги | Гальмівний барабан Внутрішній. діаметр торм.барабан [мм]: 228,6Знайти аналоги Для діаметра валу починаючи з [мм]: 62 Заг. висота гальм. барабана [мм]: 64 Кількість отворів: 5 Тип збирання: закріплено болтами/шурупами | Уточнити наявність | ||||||||||||||
| NISSAN 4243-142011 Знайти аналоги | Гальмівний барабан Внутрішній. діаметр торм.барабан [мм]: 228,6Знайти аналоги Для діаметра валу починаючи з [мм]: 62 Заг. висота гальм. барабана [мм]: 64 Кількість отворів: 5 Тип збирання: закріплено болтами/шурупами | Уточнити наявність | ||||||||||||||
| NISSAN 4243-142050 Знайти аналоги | Гальмівний барабан Внутрішній. діаметр торм.барабан [мм]: 228,6Знайти аналоги Для діаметра валу починаючи з [мм]: 62 Заг. висота гальм. барабана [мм]: 64 Кількість отворів: 5 Тип збирання: закріплено болтами/шурупами | Уточнити наявність | ||||||||||||||
| NISSAN 4243-142O11 Знайти аналоги | Гальмівний барабан Внутрішній. діаметр торм.барабан [мм]: 228,6Знайти аналоги Для діаметра валу починаючи з [мм]: 62 Заг. висота гальм. барабана [мм]: 64 Кількість отворів: 5 Тип збирання: закріплено болтами/шурупами | Уточнити наявність | ||||||||||||||
| NISSAN 4243-142O1O Знайти аналоги | Гальмівний барабан Внутрішній. діаметр торм.барабан [мм]: 228,6Знайти аналоги Для діаметра валу починаючи з [мм]: 62 Заг. висота гальм. барабана [мм]: 64 Кількість отворів: 5 Тип збирання: закріплено болтами/шурупами | Уточнити наявність | ||||||||||||||
| NISSAN 4243-142O5O Знайти аналоги | Гальмівний барабан Внутрішній. діаметр торм.барабан [мм]: 228,6Знайти аналоги Для діаметра валу починаючи з [мм]: 62 Заг. висота гальм. барабана [мм]: 64 Кількість отворів: 5 Тип збирання: закріплено болтами/шурупами | Уточнити наявність | ||||||||||||||
| TOYOTA 43431-28100 Знайти аналоги | Гальмівний барабан Внутрішній. діаметр торм.барабан [мм]: 228,6Знайти аналоги Для діаметра валу починаючи з [мм]: 62 Заг. висота гальм. барабана [мм]: 64 Кількість отворів: 5 Тип збирання: закріплено болтами/шурупами | Уточнити наявність | ||||||||||||||
| TOYOTA 43431-281OO Знайти аналоги | Гальмівний барабан Внутрішній. діаметр торм.барабан [мм]: 228,6Знайти аналоги Для діаметра валу починаючи з [мм]: 62 Заг. висота гальм. барабана [мм]: 64 Кількість отворів: 5 Тип збирання: закріплено болтами/шурупами | Уточнити наявність | ||||||||||||||